Javascript must be enabled
for this page to function properly.
Til minde om Tower Radio og Svend Hansen.
Projekt Orgel
▲ Op ▲
Image 1 of 4
Dette lille orgeleksperiment fra 60'erne har bl.a. en fantastisk cello-lyd.
Dette lille orgeleksperiment fra 60'erne har bl.a. en fantastisk cello-lyd.
Image 2 of 4
Der er separat batteriforsyning til forstærker og øvrige elektronik.
Der er separat batteriforsyning til forstærker og øvrige elektronik.
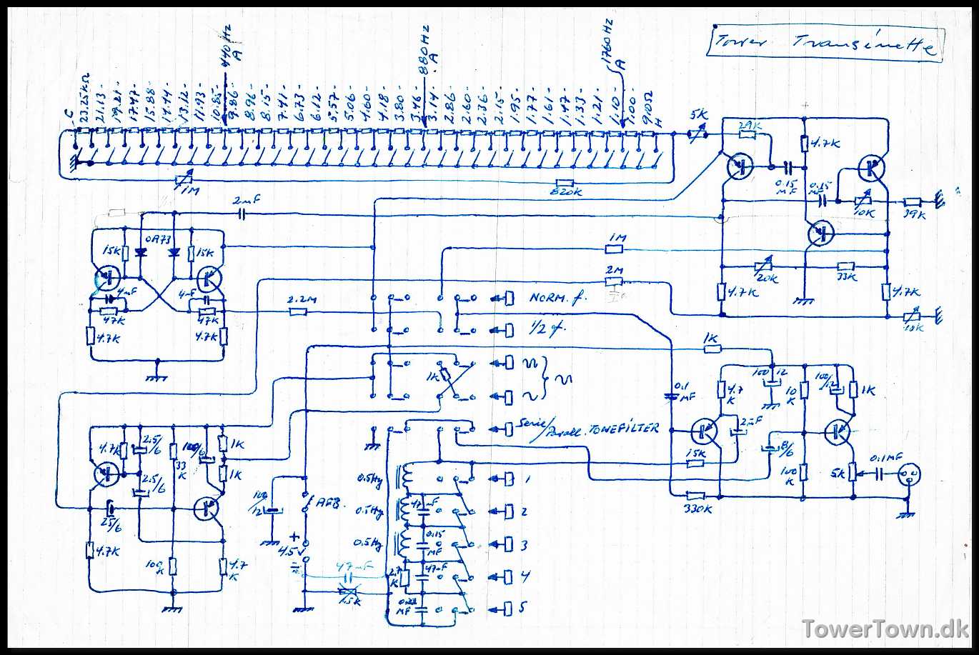
Image 3 of 4
Diagram til orglet der havde arbejdstitlen 'Tower Transinette'.
Diagram til orglet der havde arbejdstitlen 'Tower Transinette'.
Image 4 of 4
Det lille orgel i aktion.
Det lille orgel i aktion.
▲ Op ▲
Alt indhold ©2013, Lars Hansen
towertown@mail.dk
Opd.31jan13